Entlüftungsventile aus PE-el, federbelastet
Lieferzeit: sofort
|
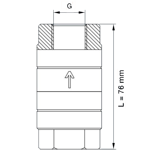
| Entlüftungsventile als Überdruckventil zur Verhinderung unzulässiger Behälterüberdrücke durch Erwärmung oder bei Befüllung, mit Rückschlag, federbelastet - die Ventile sind beidseitig mit Innengewinden ausgestattet, für maximale Flexibilität beim Einbau - kleinste Baumaße der Armatur - Werkstoff Rückschlagfeder: Hastelloy - Werkstoff Dichtung: wahlweise EPDM oder FPM - Öffnungsdruck: < 0,1 bar (auf Anfrage auch andere Federkraft möglich) - Einbaulage senkrecht - Druckstufe SDR 11 - elektrisches Potential wird abgeleitet, geeignet für Ex-Zone 1 und 2 |
|
|
||||||||||||||||||||||||||||||
Hinweis:
Für diesen Artikel kann kein Gesamtpreis berechnet werden. Daher wird aus Ihrem Warenkorb eine Anfrage und Sie erhalten von uns schnellstens ein Angebot mit allen Preisangaben, bevor Sie verbindlich bestellen.
Hinweis:
Für diesen Artikel kann kein Gesamtpreis berechnet werden. Daher wird aus Ihrem Warenkorb eine Anfrage und Sie erhalten von uns schnellstens ein Angebot mit allen Preisangaben, bevor Sie verbindlich bestellen. |
||||||||||||||||||||||||||||||||||||||||||||||||||||||||||||||
PP-EL Elektrisch Leitfähige Kunststoffventile: Sicherheit und Leistung in ATEX-Umgebungen |
|
PP-EL elektrisch leitfähige Kunststoffventile haben in der chemischen und prozesstechnischen Industrie zunehmend an Beliebtheit gewonnen, aufgrund ihrer ausgezeichneten Korrosionsbeständigkeit, hohen Schlagfestigkeit und ihrer Eignung für den Einsatz in ATEX-Umgebungen. Diese Ventile sind speziell für den Einsatz in potenziell explosionsgefährdeten Atmosphären konzipiert, in denen das Risiko von Zündungen durch statische Elektrizität oder Funkenbildung besteht. PP-EL ist eine spezielle Art von Polypropylen, das mit Ruß versetzt ist und dadurch die erforderliche elektrische Leitfähigkeit besitzt, um statische Elektrizität abzuleiten. Dies macht es zu einem idealen Material für elektrisch leitfähige Kunststoffventile, die häufig in ATEX-Umgebungen eingesetzt werden, in denen Sicherheit höchste Priorität hat. Bei der Auswahl von elektrisch leitfähigen Kunststoffventilen für den Einsatz in ATEX-Umgebungen sind mehrere Faktoren zu berücksichtigen. Zunächst müssen die Ventile als sicher für den Einsatz in solchen Umgebungen zertifiziert sein und den relevanten Standards und Vorschriften entsprechen. Darüber hinaus müssen sie für die spezifische Anwendung geeignet sein und den erforderlichen Druckbereich, Temperaturbereich und die chemische Beständigkeit aufweisen. Auch die Kompatibilität der Ventilmaterialien mit den zu handhabenden Medien sowie das Potenzial für die Ansammlung statischer Elektrizität sind wichtige Überlegungen. PP-EL elektrisch leitfähige Kunststoffventile sind speziell entwickelt, um statische Elektrizität abzuleiten und somit das Risiko von Zündungen in potenziell explosionsgefährdeten Atmosphären zu reduzieren. Zusammenfassend bieten PP-EL elektrisch leitfähige Kunststoffventile eine sichere und zuverlässige Lösung für ATEX-Umgebungen in der chemischen und prozesstechnischen Industrie. Bei der Auswahl dieser Ventile ist es wichtig, die spezifischen Anforderungen der Anwendung sowie die geltenden Standards und Vorschriften für den Betrieb in potenziell explosionsgefährdeten Atmosphären zu beachten. |
|
|
Ihre Wünsche, unsere Lösungen - Ein umfangreiches Lieferprogramm nach Maß. |
Partnerschaft auf höchstem Niveau |
|
|
|
|
|
|
|